先日、車のエアコンが故障していることに気付きました。
エアコン自体は動いているようなのですが、温度調節が効かなくて、
常にヒーターの熱風が全開で出てくる状態です。
ネットで調べてみると「エアミックスアクチュエーター」というものが怪しそう。
日産車の場合(年式にもよるかもしれませんが)、エアコンの自己診断モードというのがあるらしく、
エンジン始動後に、エアコンのOFFボタン長押しで自己診断モードに入れました。
試してみると、26番がNGということで、「PBRセンサー異常」だそうで、
これはまさに「エアミックスアクチュエーター」周りの故障のようです。
ということで、運転席足元にある部品を取り外して持ち帰って、軽く分解してみました。

モータと、ダイオード4つと、ギアが入っているだけの、思ったよりシンプルな構成です。
基板の裏側はこんな感じで、こちらもかなりシンプル。
左側の円形状のパターンは、ギアの回転角に応じて接触する場所が変わり、
下半分が可変抵抗で、上半分がスイッチの役割のようです。
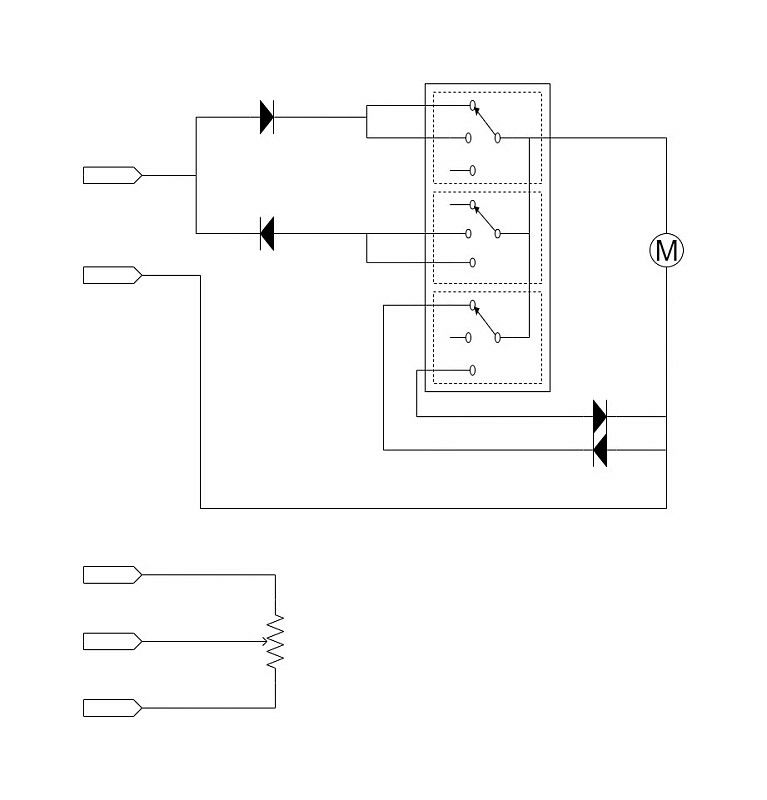
需要があるかどうかは知りませんが(笑)、回路図に起こすと、おそらくこんな感じ。
上側のスイッチは、正電圧/負電圧でモータを回したときに、
それぞれ一定の回転角になると電流を止めるストッパー的な役割。
ダイオードが4つありますが、2つは整流用で、2つはモータの逆起電力対策のようです。
下側の可変抵抗は、回転角を検出するためのセンサ的な役割のようです。
これ全体で、アナログ的なサーボモータになっているようですね。
いろいろ見ていると、どうやら今回はモータの調子が悪くなっていた模様。
モータに直接電圧を印加しても、ときどき動き出さないことがありました。
おそらくブラシの劣化とかで、停止角度によっては動き出せないポイントがあるとかではないかと。
今ならまだ、トラスト企画で新品部品が買えるようなので、さっそく発注しました。
上が元から付いていた部品、下が新品で買った部品。

よく見ると型番とステーの形状が違います。
実はR33の場合は、年式によってこの部品もマイナーチェンジしているらしいです。
現状を整理すると、たぶんこんな感じ。
| R33前期用 |
27732-15U01(502752-1301) |
¥18,035 |
取り寄せ必要 |
| R33後期用 |
27750-26U00(502752-2350) |
¥8,773 |
在庫あり |
変更されているのはステー部分だけで、本体(黒い部品)は互換性があるらしく、
今回の故障は本体部分だけなのと、値段と納期がだいぶ違っていましたので、
型番違いの方(後期用)を購入しました。
ちなみに、届いた部品はこんな箱に入っていました。

日産のノベルティでも入ってそうでちょっとカッコいい箱ですが、
中身はマニアックな修理部品(笑)
車に持って行って、電気系のコネクタだけ繋いで仮組です。

自己診断モードで動作確認すると、無事エラーがなくなりました。
温度調節すると、モータもちゃんと回るようになったので大丈夫そうです。
ちなみに、これを元の位置にネジ止めするのがまた一苦労なのですが。
運転席の足元で、かなり狭いし、暗くて見えないし、クラッチペダルとかが邪魔だし(笑)